Оставьте свой номер телефона и мы перезвоним вам |
|
|
|
Трансинжиниринг / Продукция / Ленточные конвейеры / Комплектующие для ленточного конвейера / Барабаны для ленточного конвейера
Барабаны для ленточного конвейера в Россоши




Применение:
Подробную информацию о товаре и условиях сотрудничества узнавайте у наших специалистов по телефону: 8 800 551-77-47.
Барабаны являются неотъемлемой частью ленточного конвейера и разделяются на две основные группы:
Приводной барабан предназначен для передачи тягового усилия, необходимого для приведения в движение конвейерной ленты. Вращение барабана осуществляется при помощи мотор-редуктора, мотор-барабана или классической схемы редуктор с электродвигателем.
Компания «Трансинжиниринг» осуществляет производство и поставки барабанов для ленточных конвейеров любых размеров, конфигураций, а также изготовленных по Вашим чертежам с соблюдением всех необходимых технических требований.
Наши специалисты могут воплотить в реальность устройство приводного барабана любого диаметра. Отправьте заявку с сайта и мы свяжемся с Вами в рабочие время, согласно графику работы компании.
Максимально допустимая объемная производительность
| Ширина ленты В, мм | Типоразмер приводного барабана | Допустимые | Условное обознач. подшипника | Размеры, мм | Кол. шпонок | Масса, кг | ||||||||||||||
|---|---|---|---|---|---|---|---|---|---|---|---|---|---|---|---|---|---|---|---|---|
| Крут. момент Мкр, даН·м | Окруж. усилие Рдоп, даН | Нагр. на барабан Sб.доп., даН | D | Dф | А | L | L1 | L2 | L3 | Консоль вала | Шпоночное соединение | Вращающихся частей | Общ. | |||||||
|
d (по m6) |
L4 |
b (по h9) |
t< | L5 | ||||||||||||||||
|
400 |
4025Г-40 | 38 | 304 | 700 | 3608 | 250 | - | 730 | 500 | 910 | - | 138,5 | 36* | 80 | 10 | 39 | 63 | 1 | 49 | 61 |
| 4031,5Г-50 | 94 | 597 | 1400 | 3610 | 315 | - | 950 | - | 175 | 45* | 110 | 14 | 48,5 | 90 | 1 | 62 | 84 | |||
| 4040Г-60 | 160 | 800 | 1900 | 3612 | 400 | - | 970 | - | 190 | 50* | 110 | 14 | 53,5 | 90 | 1 | 77 | 117 | |||
| 4040Ф-60 | 208 | 945 | 1730 | 3612 | 400 | 440 | 82 | 122 | ||||||||||||
|
500 |
5025Г-40 | 36 | 290 | 680 | 3608 | 250 | - | 850 | 600 | 1030 | - | 138,5 | 36* | 80 | 10 | 39 | 63 | 1 | 54 | 68 |
| 5031,5Г-50 | 89 | 565 | 1300 | 3610 | 315 | - | 1070 | - | 175 | 45* | 110 | 14 | 48,5 | 90 | 1 | 71 | 93 | |||
| 5040Г-60 | 160 | 800 | 1900 | 3612 | 400 | - | 1090 | - | 190 | 50* | 110 | 14 | 53,5 | 90 | 1 | 89 | 129 | |||
| 5040Ф-60 | 208 | 945 | 1730 | 3612 | 400 | 440 | 95 | 135 | ||||||||||||
| 5050Г-80 | 350 | 1400 | 3300 | 3616 | 500 | - | 1140 | - | 235 | 70 | 140 | 20 | 74,5 | 110 | 1 | 138 | 198 | |||
| 5050Ф-80 | 455 | 1685 | 3000 | 3616 | 500 | 540 | 146 | 206 | ||||||||||||
| 5063Г-80 | 450 | 1428 | 3300 | 3616 | 630 | - | 1140 | - | 235 | 70 | 140 | 20 | 74,5 | 110 | 2 | 156 | 236 | |||
| 5063Ф-80 | 520 | 1650 | 2500 | 3616 | 630 | 670 | 1140 | - | 235 | 70 | 140 | 20 | 74,5 | 110 | 2 | 166 | 246 | |||
| 5063Ф-80-2 | - | 1320 | 235 | 70 | 140 | 20 | 74,5 | 110 | 2 | 176 | 256 | |||||||||
| 650 | 6525Г-40 | 36 | 288 | 680 | 3608 | 250 | - | 1000 | 750 | 1180 | - | 138,5 | 36* | 80 | 10 | 39 | 63 | 1 | 56 | 70 |
| 6531,5Г-50 | 88 | 559 | 1300 | 3610 | 315 | - | 1225 | - | 175 | 45* | 110 | 14 | 48,5 | 90 | 1 | 77 | 99 | |||
| 6540Г-60 | 160 | 800 | 1900 | 3612 | 400 | - | 1235 | - | 190 | 50* | 110 | 14 | 53,5 | 90 | 1 | 96 | 136 | |||
| 6540Ф-60 | 208 | 945 | 1730 | 3612 | 400 | 440 | 104 | 144 | ||||||||||||
| 6550Г-80 | 350 | 1400 | 3300 | 3616 | 500 | - | 1290 | - | 235 | 70 | 140 | 20 | 74,5 | 110 | 1 | 165 | 225 | |||
| 6550Ф-80 | 400 | 1480 | 3000 | 3616 | 500 | 540 | 175 | 235 | ||||||||||||
| 6563Г-100 | 730 | 2320 | 5300 | 3620 | 630 | - | 1345 | - | 280 | 90 | 170 | 25 | 95 | 140 | 2 | 257 | 397 | |||
| 6563Ф-100 | 1000 | 2985 | 4800 | 3620 | 630 | 670 | 1345 | 280 | 90 | 170 | 25 | 95 | 140 | 2 | 269 | 409 | ||||
| 6563Ф-100-2 | - | 1535 | 279 | 419 | ||||||||||||||||
| Ширина ленты В, мм | Типоразмер приводного барабана | Допустимые | Условное обознач. подшипника | Размеры, мм | Кол. шпонок | Масса, кг | ||||||||||||||
|---|---|---|---|---|---|---|---|---|---|---|---|---|---|---|---|---|---|---|---|---|
| Крут. момент Мкр, даН·м | Окруж. Усилие Рдоп, даН | Нагр. на барабан Sб.доп., даН | D | Dф | А | L | L1 | L2 | L3 | Консоль вала | Шпоночное соединение | Вращающихся частей | Общ. | |||||||
|
d (по m6) |
L4 |
b (по h9) |
t | L5 | ||||||||||||||||
|
800 |
8040Г-60 | 120 | 600 | 1440 | 3612 | 400 | - | 1350 | 950 | 1595 | - | 190 | 50* | 110 | 14 | 53,5 | 90 | 1 | 150 | 190 |
| 8040Ф-60 | 156 | 710 | 1310 | 3612 | 400 | 440 | 160 | 200 | ||||||||||||
| 8050Г-80 | 290 | 1160 | 2700 | 3616 | 500 | - | 1645 | - | 235 | 70 | 140 | 20 | 74,5 | 110 | 1 | 250 | 310 | |||
| 8050Ф-80 | 377 | 1400 | 2450 | 3616 | 500 | 540 | 262 | 322 | ||||||||||||
| 8063Г-100 | 600 | 1900 | 4500 | 3620 | 630 | - | 1710 | - | 280 | 90 | 170 | 25 | 95 | 140 | 2 | 340 | 480 | |||
| 8063Ф-100 | 830 | 2480 | 4000 | 3620 | 630 | 670 | 1710 | - | 280 | 90 | 170 | 25 | 95 | 140 | 2 | 358 | 498 | |||
| 8063Ф-100-2 | 830 | 2480 | 4000 | 3620 | 630 | 670 | - | 1910 | 280 | 90 | 170 | 25 | 95 | 140 | 2 | 373 | 513 | |||
| 8080Ф-120 | 1600 | 3810 | 6400 | 3624 | 800 | 840 | 1770 | - | 335 | 110 | 210 | 28 | 116 | 160 | 2 | 540 | 760 | |||
| 8080Ф-120-2 | 1600 | 3810 | 6400 | 3624 | 800 | 840 | - | 2020 | 335 | 110 | 210 | 28 | 116 | 160 | 2 | 565 | 785 | |||
| 8080Ф-160 | 3400 | 8095 | 13500 | 3632 | 800 | 840 | 1885 | 400 | 150 | 250 | 36 | 158 | 200 | 2 | 750 | 1270 | ||||
| 8080Ф-160-2 | - | 2150 | 850 | 1320 | ||||||||||||||||
|
1000 |
10040Г-60 | 115 | 575 | 1370 | 3612 | 400 | - | 1580 | 1150 | 1825 | - | 190 | 50* | 110 | 14 | 53,5 | 90 | 1 | 170 | 210 |
| 10040Ф-60 | 150 | 680 | 1245 | 3612 | 400 | 440 | 182 | 222 | ||||||||||||
| 10050Г-80 | 280 | 1120 | 2600 | 3616 | 500 | - | 1875 | - | 235 | 70 | 140 | 20 | 74,5 | 110 | 1 | 290 | 350 | |||
| 10050Ф-80 | 370 | 1370 | 2360 | 3616 | 500 | 540 | 305 | 365 | ||||||||||||
| 10063Г-100 | 580 | 1840 | 4280 | 3620 | 630 | - | 1940 | - | 280 | 90 | 170 | 25 | 95 | 140 | 2 | 390 | 530 | |||
| 10063Ф-100 | 800 | 2390 | 3800 | 3620 | 630 | 670 | 1940 | - | 280 | 90 | 170 | 25 | 95 | 140 | 2 | 410 | 550 | |||
| 10063Ф-100-2 | 800 | 2390 | 3800 | 3620 | 630 | 670 | - | 2140 | 280 | 90 | 170 | 25 | 95 | 140 | 2 | 425 | 565 | |||
| 10080Ф-120 | 1600 | 3810 | 6300 | 3624 | 800 | 840 | 2000 | - | 335 | 110 | 210 | 28 | 116 | 160 | 2 | 620 | 840 | |||
| 10080Ф-120-2 | 1600 | 3810 | 6300 | 3624 | 800 | 840 | - | 2250 | 335 | 110 | 210 | 28 | 116 | 160 | 2 | 645 | 865 | |||
| 10080Ф-160 | 3400 | 8095 | 13700 | 3632 | 800 | 840 | 2085 | - | 400 | 150 | 250 | 36 | 158 | 200 | 2 | 860 | 1380 | |||
| 10080Ф-160-2 | 3400 | 8095 | 13700 | 3632 | 800 | 840 | - | 2380 | 400 | 150 | 250 | 36 | 158 | 200 | 2 | 910 | 1430 | |||
| 100100Ф-180 | 5300 | 10195 | 16200 | 3636 | 1000 | 1040 | 2165 | - | 470 | 170 | 300 | 40 | 179 | 250 | 2 | 1230 | 1930 | |||
| 100100Ф-180-2 | 5300 | 10195 | 16200 | 3636 | 1000 | 1040 | - | 2520 | 470 | 170 | 300 | 40 | 179 | 250 | 2 | 1300 | 2000 | |||
| Ширина ленты В, мм | Типоразмер приводного барабана | Допустимые | Условное обознач. подшипника | Размеры, мм | Кол. шпонок | Масса, кг | ||||||||||||||
|---|---|---|---|---|---|---|---|---|---|---|---|---|---|---|---|---|---|---|---|---|
| Крут. момент Мкр, даН·м | Окруж. Усилие Рдоп, даН | Нагр. на барабан Sб.доп., даН | D | Dф | А | L | L1 | L2 | L3 | Консоль вала | Шпоночное соединение | Вращающихся частей | Общ. | |||||||
|
d (по m6) |
L4 |
b (по h9) |
t | L5 | ||||||||||||||||
| 1200 | 12040Г-60 | 105 | 525 | 1230 | 3612 | 400 | - | 1900 | 1400 | 2145 | - | 190 | 50* | 110 | 14 | 53,5 | 90 | 1 | 210 | 250 |
| 12040Ф-60 | 136 | 620 | 1120 | 3612 | 400 | 440 | 224 | 264 | ||||||||||||
| 12050Г-80 | 250 | 1000 | 2400 | 3616 | 500 | - | 2195 | - | 235 | 70 | 140 | 20 | 74,5 | 110 | 1 | 340 | 400 | |||
| 12050Ф-80 | 325 | 1200 | 2180 | 3616 | 500 | 540 | 358 | 418 | ||||||||||||
| 12063Г-100 | 530 | 1680 | 4000 | 3620 | 630 | - | 2260 | - | 280 | 90 | 170 | 25 | 95 | 140 | 2 | 460 | 600 | |||
| 12063Ф-100 | 740 | 2210 | 3500 | 3620 | 630 | 670 | 2260 | - | 280 | 90 | 170 | 25 | 95 | 140 | 2 | 485 | 625 | |||
| 12063Ф-100-2 | 740 | 2210 | 3500 | 3620 | 630 | 670 | - | 2460 | 280 | 90 | 170 | 25 | 95 | 140 | 2 | 500 | 640 | |||
| 12080Ф-120 | 1600 | 3810 | 6300 | 3624 | 800 | 840 | 2320 | - | 335 | 110 | 210 | 28 | 116 | 160 | 2 | 720 | 940 | |||
| 12080Ф-120-2 | 1600 | 3810 | 6300 | 3624 | 800 | 840 | - | 2570 | 335 | 110 | 210 | 28 | 116 | 160 | 2 | 745 | 965 | |||
| 12080Ф-160 | 3200 | 7620 | 13000 | 3632 | 800 | 840 | 2405 | - | 400 | 150 | 250 | 36 | 158 | 200 | 2 | 1000 | 1500 | |||
| 12080Ф-160-2 | 3200 | 7620 | 13000 | 3632 | 800 | 840 | - | 2700 | 400 | 150 | 250 | 36 | 158 | 200 | 2 | 1050 | 1550 | |||
| 120100Ф-180 | 5300 | 10200 | 16000 | 3636 | 1000 | 1040 | 2480 | - | 470 | 170 | 300 | 40 | 179 | 250 | 2 | 1410 | 2110 | |||
| 120100Ф-180-2 | 5300 | 10200 | 16000 | 3636 | 1000 | 1040 | - | 2840 | 470 | 170 | 300 | 40 | 179 | 250 | 2 | 1480 | 2180 | |||
| 1400 | 14040Г-60 | 110 | 550 | 1600 | 3612 | 400 | - | 2000 | 1600 | 2245 | - | 190 | 50* | 110 | 14 | 53,5 | 90 | 1 | 235 | 275 |
| 14040Ф-60 | 143 | 715 | 1450 | 3612 | 400 | 440 | 252 | 292 | ||||||||||||
| 14050Г-80 | 280 | 1120 | 3000 | 3616 | 500 | - | 2295 | - | 235 | 70 | 140 | 20 | 74,5 | 110 | 1 | 375 | 435 | |||
| 14050Ф-80 | 365 | 1350 | 2730 | 3616 | 500 | 540 | 396 | 456 | ||||||||||||
| 14063Г-100 | 600 | 1905 | 4400 | 3620 | 630 | - | 2360 | - | 280 | 90 | 170 | 25 | 95 | 140 | 2 | 572 | 685 | |||
| 14063Ф-100 | 830 | 2480 | 4000 | 3620 | 630 | 670 | 2360 | - | 280 | 90 | 170 | 25 | 95 | 140 | 2 | 580 | 720 | |||
| 14063Ф-100-2 | 830 | 2480 | 4000 | 3620 | 630 | 670 | - | 2560 | 280 | 90 | 170 | 25 | 95 | 140 | 2 | 587 | 727 | |||
| 14080Ф-120 | 1940 | 4620 | 7400 | 3624 | 800 | 840 | 2420 | - | 335 | 110 | 210 | 28 | 116 | 160 | 2 | 860 | 1080 | |||
| 14080Ф-120-2 | 1940 | 4620 | 7400 | 3624 | 800 | 840 | - | 2670 | 335 | 110 | 210 | 28 | 116 | 160 | 2 | 880 | 1100 | |||
| 14080Ф-160 | 4300 | 10240 | 13300 | 3632 | 800 | 840 | 2505 | - | 400 | 150 | 250 | 36 | 198 | 200 | 2 | 1070 | 1570 | |||
| 14080Ф-160-2 | 4300 | 10240 | 13300 | 3632 | 800 | 840 | - | 2800 | 400 | 150 | 250 | 36 | 158 | 200 | 2 | 1120 | 1620 | |||
| 140100Ф-180 | 5700 | 10960 | 17700 | 3636 | 1000 | 1040 | 2585 | - | 470 | 170 | 300 | 40 | 179 | 250 | 2 | 1500 | 2200 | |||
| 140100Ф-180-2 | 5700 | 10960 | 17700 | 3636 | 1000 | 1040 | - | 2940 | 470 | 170 | 300 | 40 | 179 | 250 | 2 | 1570 | 2270 | |||
| Ширина ленты В, мм | Типоразмер приводного барабана | Допустимые | Условное обознач. подшипника | Размеры, мм | Кол. шпонок | Масса, кг | ||||||||||||||
|---|---|---|---|---|---|---|---|---|---|---|---|---|---|---|---|---|---|---|---|---|
| Крут. момент Мкр, даН·м | Окруж. Усилие Рдоп, даН | Нагр. на барабан Sб.доп., даН | D | Dф | А | L | L1 | L2 | L3 | Консоль вала | Шпоночное соединение | Вра-щаю-щихся частей | Общ. | |||||||
|
d (по m6) |
L4 |
b (по h9) |
t | L5 | ||||||||||||||||
| 1600 | 16040Г-80 | 230 | 1150 | 2700 | 3616 | 400 | - | 2200 | 1800 | 2495 | - | 235 | 70 | 140 | 20 | 74,5 | 110 | 1 | 368 | 435 |
| 16040Ф-80 | 300 | 1360 | 2455 | 3616 | 400 | 440 | - | 235 | 70 | 140 | 20 | 74,5 | 110 | 1 | 387 | 455 | ||||
| 16050Г-100 | 500 | 2000 | 4600 | 3620 | 500 | - | 2560 | - | 280 | 90 | 170 | 25 | 95,0 | 140 | 2 | 487 | 625 | |||
| 16050Ф-100 | 575 | 2130 | 4180 | 3200 | 500 | 540 | ||||||||||||||
Виды барабанов
|
1
|
По типу рабочей поверхности |
|
2
|
По количеству консолей |
|
3
|
По ремонтопригодности |
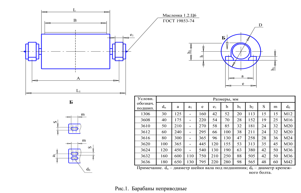
Технические характеристики


Стоимость типовых конструкций можно узнать у наших менеджеров; цена на барабаны, изготавливаемые по техническому заданию заказчика, рассчитывается индивидуально.
Остались вопросы?
Оставьте заявку и наш менеджер свяжется с вами
Продукция
О компании
Контакты
Запросить расчет стоимости